auto parts 294200-0370 Used on Fuel System of RAV4 HP3 Injection Pump

Still deciding? Get samples of $ !
Request Sample

Product Description

📋 Basic Specification
Model NO.:294200-0370
Suitable Brand:John Deere Tractor
Engine Type:4jj1, 4HK1 & etc
Fuel Type:Diesel
Material:Iron, Plastic
Component:Fuel Pressure Regulator
Certification:ISO9001, IATF16949
OE Number:294200-0370
HS Code:8481803990
Capacity:18,620 pcs/month
🔍 Product Description

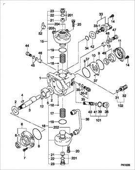
Suction Control Valve/ SCV (294200-0370)

This high-precision valve is designed for the fuel system of TOYOTA RAV4 HP3 Injection Pumps and John Deere Tractor industrial engines. Specifically, it functions within the PUMP ASSY, SUPPLY as a critical suction valve assembly.

The Suction Control Valve regulates the amount of fuel supplied to the main "pumping elements," effectively controlling output volume and rail pressure. This ensures the engine operates at peak efficiency and maintains optimal fuel economy.

Reference Type Part Number Interchanged/Related
DENSO OE 29420-00370 29400-00570, 29400-01290
Interchanged 294200-0110 294200-0170, 294200-0350
Pump Assy 29400-00462 22730-1350, 16730Z501C
Pump Assy 29400-00610 22100-E0030, 22100-E0035
🖼️ Detailed Photos
⚙️ Technical Specifications
Condition:Brand NEW
Delivery Time:1-3 Days
Surface Finish:High Quality
Warranty:1 Year

Application Note: The SCV is installed at the inlet of the high-pressure fuel pump. As a proportional solenoid valve controlled by the ECU, it manages the diesel flow entering the rail, ensuring smooth operation and efficiency.

💡 Frequently Asked Questions
Q1: Is this 294200-0370 valve compatible with John Deere tractors?

A1: Yes, it is specifically designed for the John Deere Tractor S450 Industrial L6 and various Isuzu N-Series engines using the Denso diesel injection system.

Q2: What is the primary function of the Suction Control Valve (SCV)?

A2: The SCV regulates the amount of fuel entering the high-pressure pump, which in turn controls the fuel pressure in the common rail pipe to optimize combustion.

Q3: What are the symptoms of a failing fuel pressure regulator?

A3: Common signs include engine stalling, rough idling, decreased fuel efficiency, and potential injector failure due to incorrect pressure levels.

Q4: What certifications does this product hold?

A4: This product is manufactured following strict IATF16949 and ISO9001 quality management standards to ensure stable performance.

Q5: What shipping methods and payment terms are available?

A5: We support Sea, Land, and Air transport. Payments can be made via Visa, Mastercard, T/T, and Online Transfer.

Q6: What is the standard packaging for this part?

A6: We offer Neutral Box packaging (No. 3/4) as well as Henshine branded boxes for protection during transit.

Related Products